芯城品牌采购网 > 品牌资讯 > IGBT

中国安世锁定本土晶圆,2026年IGBT产能稳了-芯城品牌采购网

12月22日,闻泰科技旗下功率半导体龙头安世半导体(Nexperia)中国公司已敲定本土晶圆供应方案,将全面覆盖2026年IGBT产品的全部生产需求,成功破解荷兰母公司断供带来的产能危机。而此前因控制权纠纷,荷兰安世至今未恢复对中国工厂的晶圆供应。今年9月底,荷兰政府以公司治理问题为由接管安世半导体控制权,10月初中国安世中国产品实施出口管制,引发全球车企芯片短缺;下旬荷兰安世暂停对中国工厂的晶

芯城品牌采购网

24031

IGBT模块选择IGBT模块的电压规格与所使用装置的输入电源即试电电源电压紧密相关。其相互关系见下表。使用中当IGBT模块集电极电流增大时,所产生的额定损耗亦变大。同时,开关损耗增大,使原件发热加剧,因此,选用IGBT模块时额定电流应大于负载电流。特别是用作高频开关时,由于开关损耗增大,发热加剧,选用时应该降等使用。IGBT模块使用由于IGBT模块为MOSFET结构,IGBT的栅极通过一层氧化膜与

芯城品牌采购网

27686

IGBT-芯城品牌采购网

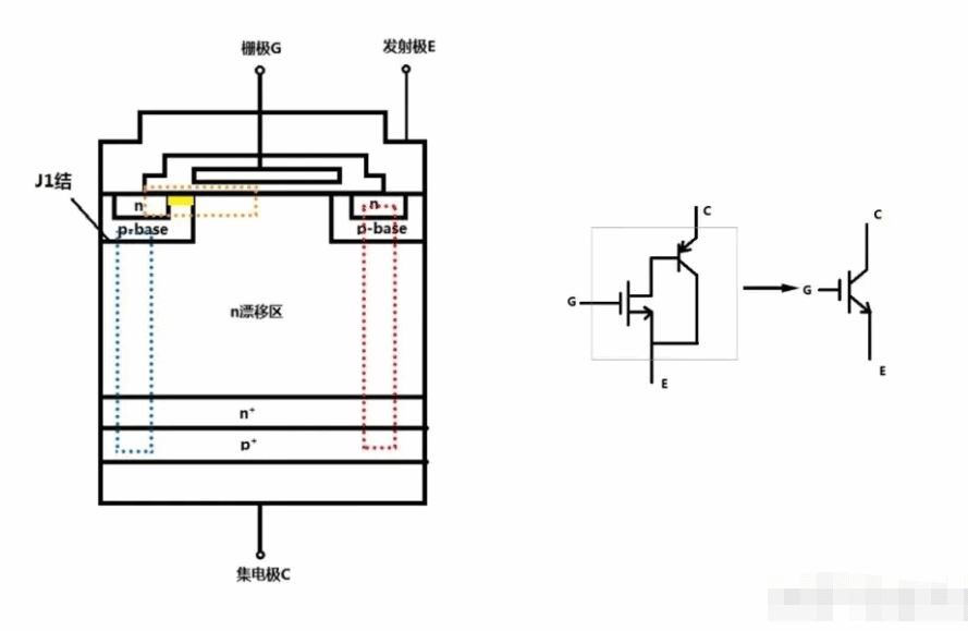
IGBT结构下图所示为一个N沟道增强型绝缘栅双极晶体管结构,N+区称为源区,附于其上的电极称为源极。P+区称为漏区。器件的控制区为栅区,附于其上的电极称为栅极。沟道在紧靠栅区边界形成。在漏、源之间的P型区(包括P+和P一区)(沟道在该区域形成),称为亚沟道区(Subchannelregion)。而在漏区另一侧的P+区称为漏注入区(Draininjector),它是IGBT特有的功能区,与漏区和亚沟

芯城品牌采购网

33704

IGBT功率模块特点IGBT功率模块是电压型控制,输入阻抗大,驱动功率小,控制电路简单,开关损耗小,通断速度快,工作频率高,元件容量大等优点。实质是个复合功率器件,它集双极型功率晶体管和功率MOSFET的优点于一体化。又因先进的加工技术使它通态饱和电压低,开关频率高(可达20KHZ),这两点非常显着的特性,最近西门子公司又推出低饱和压降(2.2V)的NPT-IGBT性能更佳,相继东芝、富士、IR,

芯城品牌采购网

33238

IGBT管原理方法IGBT是将强电流、高压应用和快速终端设备用垂直功率MOSFET的自然进化。由于实现一个较高的击穿电压BVDSS需要一个源漏通道,而这个通道却具有很高的电阻率,因而造成功率MOSFET具有RDS(on)数值高的特征,IGBT消除了现有功率MOSFET的这些主要缺点。虽然最新一代功率MOSFET器件大幅度改进了RDS(on)特性,但是在高电平时,功率导通损耗仍然要比IGBT技术高出

芯城品牌采购网

27540

igbt中频电源-芯城品牌采购网

igbt中频电源基本信息IGBT中频电源是一种采用串联谐振式的中频感应熔炼炉电源,它的逆变器件为一种新型IGBT模块(绝缘栅双极性晶体管,德国西门子生产),它主要用于熔炼普通碳素钢、合金钢、铸钢、有色金属。具有熔化速度快、节能、高次谐波污染低等优点。IGBT中频电源为一种恒功率输出电源,逆变频率时刻跟踪负载变化,达到完全谐振,加少量料即可达到满功率输出,并且始终保持不变,所以熔化速度快;因逆变部分

芯城品牌采购网

26966

IGBT驱动器-芯城品牌采购网

IGBT驱动器要求一个理想的IGBT驱动器应具有以下基本性能:(1)动态驱动能力强,能为IGBT栅极提供具有陡峭前后沿的驱动脉冲。当IGBT在硬开关方式下工作时,会在开通及关断过程中产生较大的开关损耗。这个过程越长,开关损耗越大。器件工作频率较高时,开关损耗甚至会大大超过IGBT通态损耗,造成管芯温升较高。这种情况会大大限制IGBT的开关频率和输出能力,同时对IGBT的安全工作构成很大威胁。IGB

芯城品牌采购网

31017

IGBT驱动电路-芯城品牌采购网

IGBT驱动电路简介IGBT综合了以上两种器件的优点,驱动功率小而饱和压降低。非常适合应用于直流电压为600V及以上的变流系统如交流电机、变频器、开关电源、照明电路、牵引传动等领域。图1所示为一个N沟道增强型绝缘栅双极晶体管结构,N+区称为源区,附于其上的电极称为源极。N+区称为漏区。器件的控制区为栅区,附于其上的电极称为栅极。沟道在紧靠栅区边界形成。在漏、源之间的P型区(包括P+和P一区)(沟道

芯城品牌采购网

29865

igbt中频电源-芯城品牌采购网

igbt中频电源基本信息IGBT中频电源是一种采用串联谐振式的中频感应熔炼炉电源,它的逆变器件为一种新型IGBT模块(绝缘栅双极性晶体管,德国西门子生产),它主要用于熔炼普通碳素钢、合金钢、铸钢、有色金属。具有熔化速度快、节能、高次谐波污染低等优点。IGBT中频电源为一种恒功率输出电源,逆变频率时刻跟踪负载变化,达到完全谐振,加少量料即可达到满功率输出,并且始终保持不变,所以熔化速度快;因逆变部分

芯城品牌采购网

34557

IGBT驱动板-芯城品牌采购网

IGBT驱动板应用高压直流输电换流站风能、太阳能发电并网设备风力发电机控制有源谐波滤波器无功补偿装置高压高频电源电机变速驱动IGBT驱动板特点两单元驱动板,DA962A可驱动300A/1200V(600A/600V)双管。工作模式可选为半桥模式或两个单路模式。半桥应用时,双管信号互锁,用户可以设置死区时间,确保不直通。双单路模式中两信号可以独立无关分别使用,因此可用于电流型半桥电路的驱动。短路时软

芯城品牌采购网

29148

IGBT的原理作用、参数选型和注意事项-芯城品牌采购网

目前IGBT的主要销售品牌有,飞兆(又名仙童快捷)三菱、富士、东芝、三社、三垦、西门康、英飞凌.IGBT是绝缘栅双极型晶体管(isolatedgatebipolartransistor),它是八十年代初诞生,九十年代迅速发展起来的新型复合电力电子器件。igbt将mosfet与gtr的优点集于一身,既有输入阻抗高、速度快、热稳定性好、电压驱动型,又具有通态压降低、高电压、大电流的优点。西门康三肯英飞

芯城品牌采购网

23663

最新英飞凌INFINEON2300VIGBT7系列模块-芯城品牌采购网

基于TRENCHSTOP™IGBT7PrimePACK™的兆瓦级T型三电平桥臂模块组基于TRENCHSTOP™IGBT7的PrimePACK™1500V直流NPC2三电平桥臂IGBT模块组,风冷条件下系统功率1.8MW。产品描述:▪️FF1800R23IE7,FF1800R23IE7P1800A2300V半桥▪️FF2400RB12IP7,FF2400RB12IP7P2400A1200V共集电极双

芯城品牌采购网

25431

半导体周期虽然出现阶段性调整,但受益于新能源汽车、新能源发电等需求推动,以IGBT(绝缘栅双极型晶体管)为代表的功率器件强势增长,相关IGBT公司订单量饱满,产能供不应求。车规级IGBT持续放量作为IGBT龙头,斯达半导今年前三季度实现净利润达到5.9亿元,同比增长1.21倍,增速超过营业收入,销售毛利率达到41.07%,环比提升。在12月5日斯达半导三季度业绩说明会上,公司高管介绍,近几个季度营

芯城品牌采购网

24698

闻泰科技表示IGBT已成功流片尚在测试验证阶段-芯城品牌采购网

闻泰科技在互动平台表示,公司IGBT已成功流片,尚在测试验证阶段。IGBT这类产品的应用市场广泛,主要面向新能源汽车、光伏/风力发电、工业控制、家电产品等领域。目前公司在智能座舱领域为头部智能汽车品牌配套的项目进展顺利,即将量产。针对市场半导体、消费电子普遍上涨现象,闻泰科技表示,在今年的经济环境下,公司半导体业务将充分发挥车规半导体优势,抓住新能源汽车市场机遇与汽车电子化趋势,做好汽车半导体业务

芯城品牌采购网

26462